



Geberit Monolith sanitetsmodul (ref. 131.021.SI.5) er en sofistikeret, funktionel og æstetisk løsning til installation af væghængte toiletter. Designet med en front i høj kvalitet glas og sider i børstet aluminium, kombinerer det moderne design med avanceret teknologi til både nybyggeri og renoveringsprojekter.
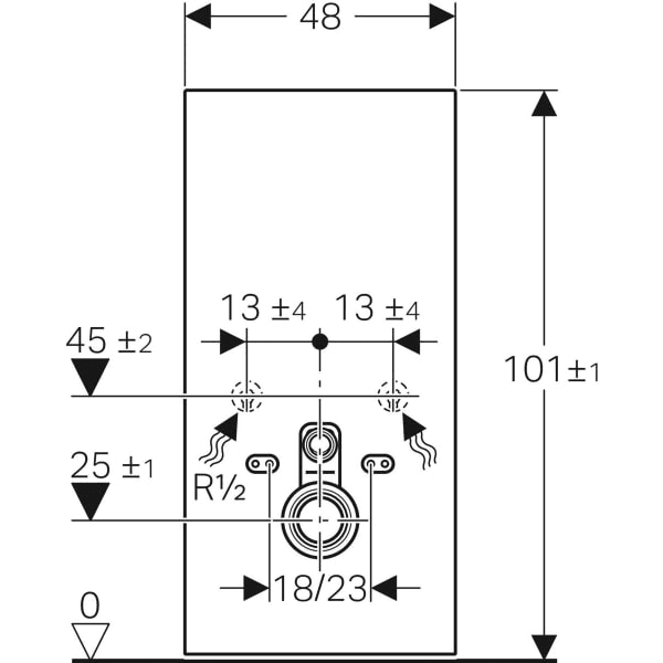
Denne model med en højde på 101 cm er beregnet til brug med væghængte toiletter, inklusive modeller med bidetfunktion som Geberit AquaClean. Den er ideel til installationer, hvor afløbet er placeret i væggen i en højde over 23 cm, hvilket muliggør udskiftning af toiletter med lav synlig cisterne uden behov for omfattende murerarbejde.
Systemet er selvbærende og kan monteres direkte på det færdige gulv og foran lette vægge eller murværk. Højden for montering af det keramiske toilet er justerbar (35 ± 1 cm), og strukturen tillader en tolerancekompensation på op til 7 cm, hvilket letter integrationen i rum med ikke-standardmål.
Den integrerede cisterne er fuldt kondensisoleret, hvilket sikrer en stille drift uden dryp. Den har et dobbelt skylle system på 6/3 liter, med mulighed for at justere det samlede volumen til 4,5 eller 6 liter, mens den delvise skylning er på 3 liter. Disse funktioner muliggør ansvarlig vandbrug og overholder de nuværende bæredygtighedsstandarder.
Modulet inkluderer en nederste forsyningsforbindelse, men tillader også en sideindgang via valgfrie tilbehør. Takket være dets funktionelle design er alle forbindelser, inklusive forsynings- og afløbskomponenter, skjult, hvilket giver et rent og elegant udseende.
Geberit Monolith sanitetsmodul kombinerer moderne design, nem installation og avanceret funktionalitet. Dets æstetik med glasfront og høje ydeevne gør det til det perfekte valg for dem, der ønsker at opgradere deres badeværelse med stil, teknologi og effektivitet.